e-fat/e-cargo

S-Type Pro RC bagnavsmotor

S-Type Pro RC bagnavmotoren er designet til E-Cargo og E-Fat cykler og tilbyder en nominel effekt på 750W til 1500W. Den har en 8-10 hastighedskassette, 190 mm dropout, peak stall drejningsmoment over 145Nm. Denne motor giver stærk trækkraft under lav hastighed, hvilket sikrer stabil klatreevne på stejle skråninger, blødt sand eller glat terræn. Udstyret med HT's patenterede metal-nylon-gear, er det fem gange stærkere end traditionelle nylon-gear, det holder over 40.000 km og reducerer vedligeholdelsesomkostningerne markant. I applikationer med e-cykelnavmotorer over nominel 1000W er det kun HT's plaststålgear, der kan modstå kontinuerlige drejningsmomenter over 100Nm.

Nøgleparameter
Motorstruktur: Nominel spænding (V): Nominel effekt (W):
/ 36-60 600-1500
Topdrejningsmoment (N.m.): Vægt (KG): GAMMEL (mm):
145 6 190
detaljerede oplysninger
  • S-Type Pro RC bagnavsmotor
  • S-Type Pro RC bagnavsmotor
Ningbo Yinzhou HENTACH Electromechanical Co., Ltd. Product Parameters Ningbo Yinzhou HENTACH Electromechanical Co., Ltd. Drawing Ningbo Yinzhou HENTACH Electromechanical Co., Ltd. Contact Us

Kernedata

Nejminel effekt 600-1500
Nominel spænding 36-60
Hjul diameter 20-26
Hastighedsområde 35-65
Maksimalt drejningsmoment 145
Gearforhold 5
Vægt (KG) 6

Installationsparametre

Bremse Skivebremse
Momentsensor kassette No
Kabelføringsrute Aksel side venstre
Egerhul 2-18-Ф3,2
Vandtæt vurdering IP54 (op til IP65)
Svinghjul/tandhjul Kafei 7-10 speed
Certifikater TUV/EN15194/RoHS

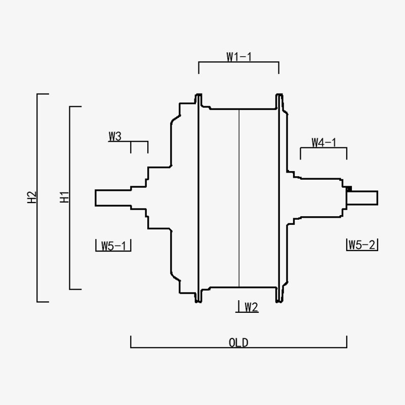
H1/OD: 162
H2/motor OD: 183
W1(-1/-2): 70.8
W2: 0
W3: 15.2
W4(-1/-2): 40.5
W5(-1/-2): 31/27
GAMLE: 190
Aksellængde: 248
Ningbo Yinzhou HENTACH Electromechanical Co., Ltd.
kontakt os
  • Send og send
Ningbo Yinzhou HENTACH Electromechanical Co., Ltd.
HVAD SÆRKER OS
  • Kraftig bagdrevet navmotor med 190 mm åbne gear og nominel effekt på op til 1500w.

  • Opfundet patent plast gear: 5 gange drejningsmomentet af nylon gear; levetid større end 40.000 km; lavere eftersalg

  • Staldmoment op til 145NM eller mere, designet til efat/Cargo.

HVEM ER VI mere end 20 år produktionserfaring.

Ningbo Yinzhou HENTACH Electromechanical Co., Ltd. (Tidligere Hengtai Motor) Etableret i 1995 og tidligere kendt som "Hengtai Motor" (det kinesiske navn på vores virksomhed), antog vi officielt det engelske navn "HENTACH Motor" i 2020. Begge navne repræsenterer den samme betroede producent dedikeret til elektromekanisk innovation i over 30 år. Med speciale i støbning og præcisionsbearbejdning af miniature DC-motorer, el-/motorcykelnavmotorer og aluminium-magnesiumlegeringer til elektriske køretøjer, kombinerer vi et stringent ISO 9001 kvalitetskontrolsystem, moden ledelsespraksis og banebrydende produktions-/testudstyr for at levere pålidelige løsninger.

Med komplette kapaciteter, der spænder fra støbning af råmaterialer til levering af det endelige produkt, betjener vi forskellige markeder, herunder elcykler, lastbiler, AGV'er, golfbiler, landbrugsmaskiner og e-karting. Vores campus på over 9.000 m² (5.000 m² bebygget areal) huser over 60 enheder avanceret produktionsudstyr, herunder 500-tons trykstøbemaskiner, præcisions-CNC-værktøjsmaskiner, lasermærkningssystemer, mikrobueoxidationslinjer og to dedikerede testbænke til elmotorer. Denne infrastruktur sikrer effektiv produktion og streng overholdelse af internationale kvalitetsstandarder.

Hos HENTACH (Hengtai) prioriterer vi materialer af høj kvalitet og proprietær teknologi - vores patenterede nylon-stål gear er et bevis på vores tekniske ekspertise. For at validere holdbarheden lancerede vi engang et kilometergarantiprogram for motorer, der overstiger 30.000 miles. Resultatet? Over 50 motorer opfyldte ikke kun dette benchmark, men overgik det, hvor nogle nåede imponerende 50.000 miles. Denne præstation i den virkelige verden afspejler vores urokkelige fokus på pålidelighed og motiverer os til kontinuerligt at innovere for smartere, stærkere motoriske løsninger.
Stol på mærket, der er kendt globalt som både Hengtai Motor og HENTACH Motor - hvor patenteret stålgearinnovation møder dokumenteret holdbarhed.

Certificeret af Certificeringer