Vej / E-vej

D-TYPE GENNEMAKSEL Bagnavsmotor

D-TYPE THRU AXLE-bagnavmotoren, designet til e-MTB'er og e-road/Graval-cykler, vejer kun 2,4 kg (kassette inkluderet) med en 148 mm gennemgående aksel. Dens lette design og den gennemgående akselstruktur sikrer høj styrke og stabilitet under højhastighedskørsel. Med en nominel effekt på 48V 250W og over 50Nm stall-drejningsmoment er den kompatibel med en momentsensorkassette, der giver jævn acceleration og responsiv ydeevne til forskellige terræner.

Nøgleparameter
Motorstruktur: Nominel spænding (V): Nominel effekt (W):
Outrunner navmotor 36-48 220-250
Topdrejningsmoment (N.m.): Vægt (KG): GAMLE (mm):
~50NM 2.4 (Med kassette) 141
detaljerede oplysninger
  • D-TYPE GENNEMAKSEL Bagnavsmotor
  • D-TYPE GENNEMAKSEL Bagnavsmotor
Ningbo Yinzhou HENTACH Electromechanical Co., Ltd. Product Parameters Ningbo Yinzhou HENTACH Electromechanical Co., Ltd. Drawing Ningbo Yinzhou HENTACH Electromechanical Co., Ltd. Contact Us

Kernedata

Nominel effekt 220-250
Nominel spænding 36-48
Hjul diameter 20-28
Hastighedsområde 25-32
Maksimalt drejningsmoment ~50NM
Gearforhold 6.3
Vægt (KG) 2.4 (Med kassette)

Installationsparametre

Bremse skivebremse
Momentsensor kassette Ja
Kabelføringsrute Aksel side venstre
Egerhul 2-18-Ф3,2
Vandtæt vurdering IP54 (op til IP65)
Svinghjul/Kandhjul Kassette 7-12speed/Kassette 7-12speed
Certifikater TUV/EN15194/RoHS

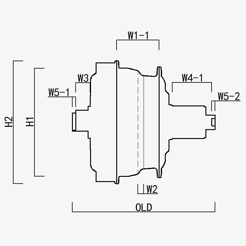
H1/OD: 112
H2/motor OD: 128
W1(-1/-2): 44
W2: 6
W3: 15.25
W4(-1/-2): 42.5
W5(-1/-2): 3.5
GAMLE: 141
Aksellængde: 148
Ningbo Yinzhou HENTACH Electromechanical Co., Ltd.
kontakt os
  • Send og send
Ningbo Yinzhou HENTACH Electromechanical Co., Ltd.
HVAD SÆRKER OS
  • Patenteret plaststålgear: 5 gange drejningsmomentet for nylongear; levetid større end 40.000 km; lavere eftersalgsservice

  • Ekstern rotormotor: mere stabil struktur og lavere fejlrate sammenlignet med intern rotor

  • Standard 10 mm cylinderakselstruktur, lettere og mindre, med en gearåbning på 142 mm, kan opnå et drejningsmoment på >50NM, 250w cylinderakselmotoren med det største drejningsmoment på markedet

HVEM ER VI mere end 20 år produktionserfaring.

Ningbo Yinzhou HENTACH Electromechanical Co., Ltd. (Tidligere Hengtai Motor) Etableret i 1995 og tidligere kendt som "Hengtai Motor" (det kinesiske navn på vores virksomhed), antog vi officielt det engelske navn "HENTACH Motor" i 2020. Begge navne repræsenterer den samme betroede producent dedikeret til elektromekanisk innovation i over 30 år. Med speciale i støbning og præcisionsbearbejdning af miniature DC-motorer, el-/motorcykelnavmotorer og aluminium-magnesiumlegeringer til elektriske køretøjer, kombinerer vi et stringent ISO 9001 kvalitetskontrolsystem, moden ledelsespraksis og banebrydende produktions-/testudstyr for at levere pålidelige løsninger.

Med komplette kapaciteter, der spænder fra støbning af råmaterialer til levering af det endelige produkt, betjener vi forskellige markeder, herunder elcykler, lastbiler, AGV'er, golfbiler, landbrugsmaskiner og e-karting. Vores campus på over 9.000 m² (5.000 m² bebygget areal) huser over 60 enheder avanceret produktionsudstyr, herunder 500-tons trykstøbemaskiner, præcisions-CNC-værktøjsmaskiner, lasermærkningssystemer, mikrobueoxidationslinjer og to dedikerede testbænke til elmotorer. Denne infrastruktur sikrer effektiv produktion og streng overholdelse af internationale kvalitetsstandarder.

Hos HENTACH (Hengtai) prioriterer vi materialer af høj kvalitet og proprietær teknologi - vores patenterede nylon-stål gear er et bevis på vores tekniske ekspertise. For at validere holdbarheden lancerede vi engang et kilometergarantiprogram for motorer, der overstiger 30.000 miles. Resultatet? Over 50 motorer opfyldte ikke kun dette benchmark, men overgik det, hvor nogle nåede imponerende 50.000 miles. Denne præstation i den virkelige verden afspejler vores urokkelige fokus på pålidelighed og motiverer os til kontinuerligt at innovere for smartere, stærkere motoriske løsninger.
Stol på mærket, der er kendt globalt som både Hengtai Motor og HENTACH Motor - hvor patenteret stålgearinnovation møder dokumenteret holdbarhed.

Certificeret af Certificeringer