eMTB / E-fragt

E-Type RF500 bagnavsmotor

E-Type RF500 bagnavsmotor er designet til E-Cargo og E-MTB cykler, kompatibel med 36V/48V systemer. Den tilbyder en nominel effekt på 500-750W og et drejningsmoment på over 75Nm, der håndterer komplekst terræn og tunge belastninger med lethed. Motoren understøtter 20-28 tommer hjul, vejer kun 4,2 kg og har et 100 mm dropout med et gearforhold på 5,4. Dette design optimerer drejningsmomentet og sikrer jævn acceleration ved lave hastigheder og forbedret effektivitet.

Nøgleparameter
Motorstruktur: Nominel spænding (V): Nominel effekt (W):
Bagdrevs navmotor 36-48 250-500
Topdrejningsmoment (N.m.): Vægt (KG): GAMMEL (mm):
75 4.2 135
detaljerede oplysninger
  • E-Type RF500 bagnavsmotor
  • E-Type RF500 bagnavsmotor
Ningbo Yinzhou HENTACH Electromechanical Co., Ltd. Product Parameters Ningbo Yinzhou HENTACH Electromechanical Co., Ltd. Drawing Ningbo Yinzhou HENTACH Electromechanical Co., Ltd. Contact Us

Kernedata

Nejminel effekt 250-500
Nominel spænding 36-48
Hjul diameter 20-28
Hastighedsområde 25-38
Maksimalt drejningsmoment 75
Gearforhold 5.4
Vægt (KG) 4.2

Installationsparametre

Bremse Skivebremse
Momentsensor kassette No
Kabelføringsrute Aksel Central Højre
Egerhul 2-18-Ф3,2
Vandtæt vurdering IP54 (op til IP65)
Svinghjul/Kandhjul Rotary Fly 7-speed/Kafei (OLD142)
Certifikater TUV/EN15194/RoHS

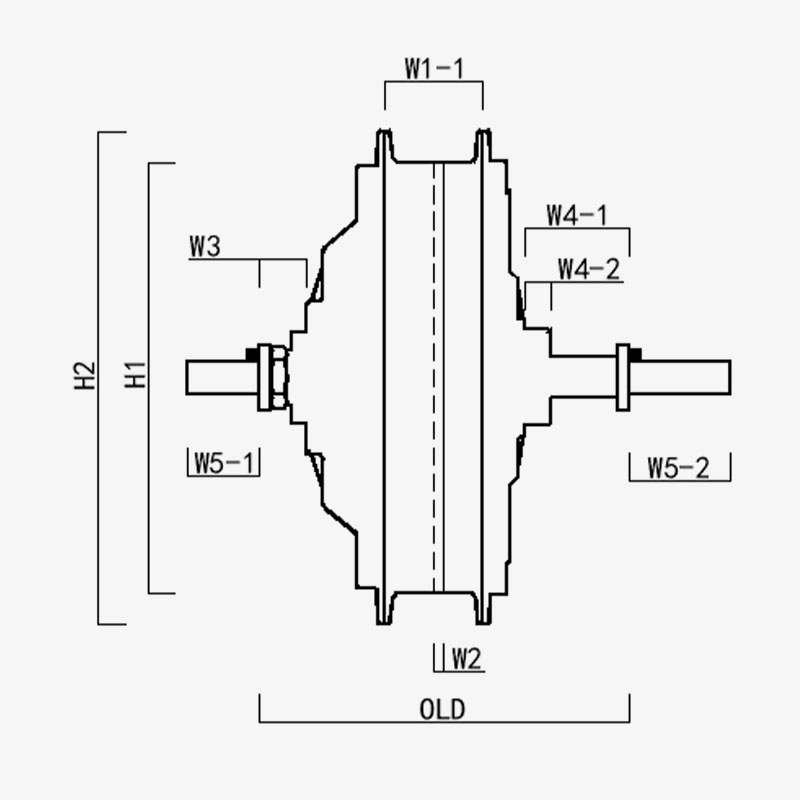
H1/OD: 157
H2/motor OD: 180
W1(-1/-2): 36
W2: 3.75
W3: 15.2
W4(-1/-2): 38/9,5
W5(-1/-2): 26/37
GAMLE: 135
Aksellængde: 198
Ningbo Yinzhou HENTACH Electromechanical Co., Ltd.
kontakt os
  • Send og send
Ningbo Yinzhou HENTACH Electromechanical Co., Ltd.
HVAD SÆRKER OS
  • Kraftig bagdreven navmotor, 135 mm gearåbning, nominel effekt op til 500w

  • Patenteret plaststålgear: 5 gange drejningsmomentet for nylongear; levetid større end 40.000 km; lavere eftersalg

  • Staldmoment op til 75NM, specielt designet til eMTB/Cargo.

HVEM ER VI mere end 20 år produktionserfaring.

Ningbo Yinzhou HENTACH Electromechanical Co., Ltd. (Tidligere Hengtai Motor) Etableret i 1995 og tidligere kendt som "Hengtai Motor" (det kinesiske navn på vores virksomhed), antog vi officielt det engelske navn "HENTACH Motor" i 2020. Begge navne repræsenterer den samme betroede producent dedikeret til elektromekanisk innovation i over 30 år. Med speciale i støbning og præcisionsbearbejdning af miniature DC-motorer, el-/motorcykelnavmotorer og aluminium-magnesiumlegeringer til elektriske køretøjer, kombinerer vi et stringent ISO 9001 kvalitetskontrolsystem, moden ledelsespraksis og banebrydende produktions-/testudstyr for at levere pålidelige løsninger.

Med komplette kapaciteter, der spænder fra støbning af råmaterialer til levering af det endelige produkt, betjener vi forskellige markeder, herunder elcykler, lastbiler, AGV'er, golfbiler, landbrugsmaskiner og e-karting. Vores campus på over 9.000 m² (5.000 m² bebygget areal) huser over 60 enheder avanceret produktionsudstyr, herunder 500-tons trykstøbemaskiner, præcisions-CNC-værktøjsmaskiner, lasermærkningssystemer, mikrobueoxidationslinjer og to dedikerede testbænke til elmotorer. Denne infrastruktur sikrer effektiv produktion og streng overholdelse af internationale kvalitetsstandarder.

Hos HENTACH (Hengtai) prioriterer vi materialer af høj kvalitet og proprietær teknologi - vores patenterede nylon-stål gear er et bevis på vores tekniske ekspertise. For at validere holdbarheden lancerede vi engang et kilometergarantiprogram for motorer, der overstiger 30.000 miles. Resultatet? Over 50 motorer opfyldte ikke kun dette benchmark, men overgik det, hvor nogle nåede imponerende 50.000 miles. Denne præstation i den virkelige verden afspejler vores urokkelige fokus på pålidelighed og motiverer os til kontinuerligt at innovere for smartere, stærkere motoriske løsninger.
Stol på mærket, der er kendt globalt som både Hengtai Motor og HENTACH Motor - hvor patenteret stålgearinnovation møder dokumenteret holdbarhed.

Certificeret af Certificeringer