E-vej / E-by

HT MINI friløbsmotor bagnav

HT MINI Thread on Freewheel navmotor er designet til e-city- og landevejscykler, hvilket gør den til en af ​​de mindste eksterne rotor-navmotorer på markedet. Den er kompatibel med 36V til 48V batterisystemer, vejer kun 1,95 kg og tilbyder en nominel effekt på 220W med over 30Nm drejningsmoment. Motoren kan nå op til 250W med et stall-moment på 40Nm. Dets udvendige rotordesign reducerer kumulative fejl, hvilket forbedrer styrke, stabilitet og holdbarhed.

Nøgleparameter
Motorstruktur: Nominel spænding (V): Nominel effekt (W):
Outrunner navmotor 36-48 180-250
Topdrejningsmoment (N.m.): Vægt (KG): GAMLE (mm):
40 1,95(220w) 135
detaljerede oplysninger
  • HT MINI friløbsmotor bagnav
  • HT MINI friløbsmotor bagnav
Ningbo Yinzhou HENTACH Electromechanical Co., Ltd. Product Parameters Ningbo Yinzhou HENTACH Electromechanical Co., Ltd. Drawing Ningbo Yinzhou HENTACH Electromechanical Co., Ltd. Contact Us

Kernedata

Nejminel effekt 180-250
Nominel spænding 36-48
Hjul diameter 20-28
Hastighedsområde 25-38
Maksimalt drejningsmoment 40
Gearforhold 5
Vægt (KG) 1,95 (220w)

Installationsparametre

Bremse Skivebremse
Momentsensor kassette No
Kabelføringsrute Aksel Central Højre
Egerhul 2-18-Ф3,2
Vandtæt vurdering IP54 (op til IP65)
Svinghjul/tandhjul Roterende 7-trins
Certifikater TUV/EN15194/RoHS

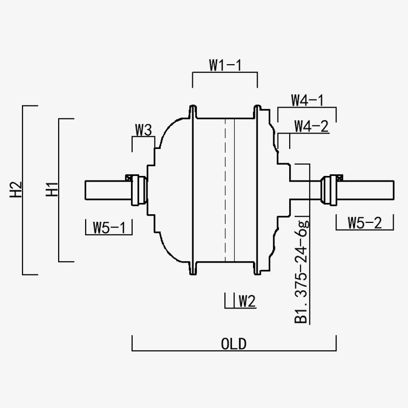
H1/OD: 95.5
H2/motor OD: 112.5
W1(-1/-2): 43
W2: 6
W3: 15
W4(-1/-2): 39/9
W5(-1/-2): 31/39
GAMLE: 135
Aksellængde: 205
Ningbo Yinzhou HENTACH Electromechanical Co., Ltd.
kontakt os
  • Send og send
Ningbo Yinzhou HENTACH Electromechanical Co., Ltd.
HVAD SÆRKER OS
  • Motoren har en ydre diameter på 95 mm, med et 7-trins roterende svinghjul, der kun vejer 1,95 kg, en ultralet ydre rotormotor, nominel effekt på 250w og et stall-moment på op til 40NM. En elcykelpartner.

  • Patenteret plaststålgear: 5 gange drejningsmomentet for nylongear; levetid større end 40.000 kilometer; lavere eftersalg

  • Ydre rotormotor: mere stabil struktur end indre rotor, lavere fejlrate

HVEM ER VI mere end 20 år produktionserfaring.

Ningbo Yinzhou HENTACH Electromechanical Co., Ltd. (Tidligere Hengtai Motor) Etableret i 1995 og tidligere kendt som "Hengtai Motor" (det kinesiske navn på vores virksomhed), antog vi officielt det engelske navn "HENTACH Motor" i 2020. Begge navne repræsenterer den samme betroede producent dedikeret til elektromekanisk innovation i over 30 år. Med speciale i støbning og præcisionsbearbejdning af miniature DC-motorer, el-/motorcykelnavmotorer og aluminium-magnesiumlegeringer til elektriske køretøjer, kombinerer vi et stringent ISO 9001 kvalitetskontrolsystem, moden ledelsespraksis og banebrydende produktions-/testudstyr for at levere pålidelige løsninger.

Med komplette kapaciteter, der spænder fra støbning af råmaterialer til levering af det endelige produkt, betjener vi forskellige markeder, herunder elcykler, lastbiler, AGV'er, golfbiler, landbrugsmaskiner og e-karting. Vores campus på over 9.000 m² (5.000 m² bebygget areal) huser over 60 enheder avanceret produktionsudstyr, herunder 500-tons trykstøbemaskiner, præcisions-CNC-værktøjsmaskiner, lasermærkningssystemer, mikrobueoxidationslinjer og to dedikerede testbænke til elmotorer. Denne infrastruktur sikrer effektiv produktion og streng overholdelse af internationale kvalitetsstandarder.

Hos HENTACH (Hengtai) prioriterer vi materialer af høj kvalitet og proprietær teknologi - vores patenterede nylon-stål gear er et bevis på vores tekniske ekspertise. For at validere holdbarheden lancerede vi engang et kilometergarantiprogram for motorer, der overstiger 30.000 miles. Resultatet? Over 50 motorer opfyldte ikke kun dette benchmark, men overgik det, hvor nogle nåede imponerende 50.000 miles. Denne præstation i den virkelige verden afspejler vores urokkelige fokus på pålidelighed og motiverer os til kontinuerligt at innovere for smartere, stærkere motoriske løsninger.
Stol på mærket, der er kendt globalt som både Hengtai Motor og HENTACH Motor - hvor patenteret stålgearinnovation møder dokumenteret holdbarhed.

Certificeret af Certificeringer